Счетчик газа RVG-G650
Ротационный счетчик газа RVG предназначен для коммерческого и технологического учета очищенных неагрессивных газов. Он обеспечивает высокую точность измерений для природного газа с неоднородным составом, воздуха, азота и других подобных сред. Они применяется на объектах повышенной опасности: нефтегазоперерабатывающих, нефтехимических и химических предприятиях, а также в различных отраслях промышленности.
Ключевые преимущества:
· Низкие потери давления и малая инерционность позволяют эффективно использовать счетчики в газопроводах низкого давления, например, перед горелочными устройствами, а также в технологических линиях с низким давлением, включая импульсные режимы.
· Полная преемственность: новые модификации RVG сохраняют технические и монтажные характеристики предыдущих моделей. Это позволяет производить замену без переработки проектной документации на газоснабжение.
· Долговечность и автономность: после установки счетчик не требует специального обслуживания, за исключением плановой замены масла один раз в пять лет.
· Гибкость монтажа: счетчик не требует обязательных прямых участков трубопровода до и после себя и может устанавливаться как горизонтально, так и вертикально.
Принцип действия
В основе работы счетчика лежит принцип вытеснения газа. В измерительной камере, образованной корпусом и двумя синхронно вращающимися роторами, захватывается строго определенный объем газа. Вращение через редуктор и магнитную муфту передается на восьмиразрядный счетный механизм. Каждый оборот роторов соответствует прохождению фиксированного объема среды от входа к выходу, что гарантирует высокую точность учета.

Конструкция и исполнения
Счетчик состоит из корпуса, двух роторов, крышек, редуктора и счетного механизма. Корпус может иметь патрубки для измерения температуры, отбора давления и крепления.
· Типоразмеры: широкий модельный ряд от G10 до G1000 (DN от 32 до 200 мм) для различных диапазонов расхода.
· Метрологические исполнения: «О», «У», «2У», «3С», «3У», «4С», «4У», «5С», «5У», «6С», «6У».
· Исполнение корпуса:
· «Р» – аналог ранее выпускавшихся моделей.
· «Б» – базовое.
· «К» – компактное (для G16, G25, G100).
· Направление потока: однонаправленные или двунаправленные.
· Сигнализация: стандартная комплектация включает НЧ-датчик импульсов для передачи данных на электронный корректор. Опционально доступен ВЧ-датчик А1К исполнения «Б» для мониторинга точного мгновенного расхода.
Отличительные особенности:
· Широкий диапазон измерений – до 1:250.
· Корпус изготовлен из анодированного высокопрочного алюминия.
· Счетная голова из специального УФ-стойкого полимера с углом поворота 355°.
· Длительный межсервисный интервал.
Основные технические характеристики счетчика газа ротационного RVG

Метрологические характеристики счетчика газа ротационного RVG

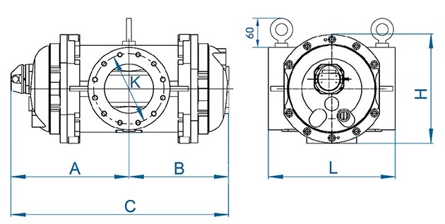
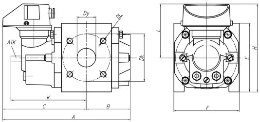
Габаритные и присоединительные размеры счетчиков газа ротационных RVG
Размеры корпуса для ротационных счетчиков газа RVG исполнения "Р"
исполнение "Р"
Размеры корпуса для ротационных счетчиков газа RVG исполнения "Б" и "К"

* исполнение "К"
исполнение "Б" и "К" от G10 до G400 (DN 100)
исполнение "Б" и "К" от G400 (DN 150) до G1000
Масло для счетчиков газа ротационных RVG здесь
Доставка счетчиков газа ротационных RVG G650 осуществляется транспортными компаниями по таким городам как :
Москва, Санкт-Петербург, Новосибирск, Екатеринбург, Казань, Нижний Новгород, Красноярск, Челябинск, Самара, Уфа, Ростов-на-Дону, Краснодар, Омск, Воронеж, Пермь, Волгоград, Саратов, Тюмень, Тольятти, Барнаул, Махачкала, Ижевск, Хабаровск, Ульяновск, Владивосток, Ярославль, Томск, Ставрополь, Кемерово, Набережные Челны, Оренбург, Новокузнецк, Балашиха, Рязань, Чебоксары, Пенза, Липецк, Калининград, Киров, Астрахань, Тула, Сочи, Улан-Удэ, Курск, Тверь, Магнитогорск, Сургут, Брянск, Якутск, Иваново, Владимир, Симферополь, Нижний Тагил, Калуга, Белгород, Чита, Грозный, Волжский, Смоленск, Подольск, Саранск, Вологда, Курган, Череповец, Архангельск, Орел, Владикавказ, Нижневартовск, Йошкар-Ола, Стерлитамак, Мурманск, Мытищи, Кострома, Новороссийск, Тамбов, Химки, Нальчик, Таганрог, Нижнекамск, Благовещенск, Комсомольск-на-Амуре, Петрозаводск, Люберцы, Королев, Энгельс, Великий Новгород, Шахты, Братск, Сыктывкар, Ангарск, Старый Оскол, Дзержинск, Псков, Красногорск, Орск, Одинцово, Абакан, Армавир, Балаково, Бийск, Южно-Сахалинск, Уссурийск, Прокопьевск, Норильск, Рыбинск, Волгодонск, Альметьевск, Сызрань, Петропавловск-Камчатский, Каменск-Уральский, Новочеркасск, Златоуст, Хасавюрт, Северодвинск, Домодедово, Керчь, Миасс, Салават, Копейск, Пятигорск, Электросталь, Майкоп, Находка, Березники, Щелково, Серпухов, Нефтекамск, Коломна, Ковров, Обнинск, Кызыл, Кисловодск, Дербент, Каспийск, Батайск, Нефтеюганск, Рубцовск, Назрань, Ессентуки, Новочебоксарск, Долгопрудный, Новомосковск, Октябрьский, Невинномысск, Раменское, Реутов, Первоуральск, Михайловск, Алматы, Астана, Шымкент, Актау, Актобе, Атырау, Караганда, Кокшетау, Костанай, Павлодар, Семей, Минск, Гомель, Витебск, Могилев, Гродно, Брест, Бобруйск, Пушкино, Жуковский, Ханты-Мансийск, Димитровград, Артем, Новый Уренгой, Евпатория, Муром, Северск, Орехово-Зуево, Камышин, Мурино, Арзамас, Видное, Бердск, Элиста, Ногинск, Новошахтинск, Ноябрьск
В комплект поставки помимо самого ротационного счетчика газа RVG G650 входят : сертификат соответствия, свидетельство о первичной поверке, паспорт, габаритная и функциональная схема
